
本質安全防爆露點計 TEKHNE TK-100TR-EX Dew Point Transmitter
防爆認證露點儀
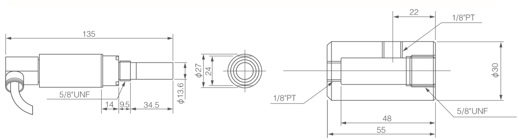
TK-100TR-EX防爆露點傳送器是一款電容式露點計,專為測量爆炸危險區域的氣體水分而開發。 電容式露點計是一種使用電容隨水分吸附量變化的元件作為感測單元的露點計。
該儀器與安全隔離閘相結合,形成本質安全防爆系統,防爆等級 EX ia IIC T4 Ga,可用於特殊危險區域(Zone 0 )。 安全隔離閘安裝在非危險位置,並在非危險位置為TK-100TR-EX防爆露點傳送器供電。
檢測-100°C~+20°C測量範圍內的露點,檢測精度為±2°C,測量值以類比4-20mA輸出,通過安全隔離閘用於非危險區域的露點控制。
高品質日本製露點儀
TEKHNE株式會社在過去的 40 年裡一直經營以露點儀為中心的水分管理和測量儀器。 TK-100TR-EX電容式(阻抗)露點儀是TEKHNE株式會社的主要產品,用於測量露點或水分含量。
經濟實惠,易於導入
通過在日本執行從開發、製造、生產到校準的所有過程,並將品質放在首位,徹底追求以易於導入所有客戶現場情況的價格範圍。
引進最先進的中心技術
TK-100TR-EX在線露點儀的感測器完全反映了在以最先進的陶瓷感測器技術中積累的大量數據。 每個感測器的特性記錄在變送器上,溫度由感測器溫度計根據實際測量結果對感測器輸出進行補償,露點值線性輸出。 這使得每個感測器完全相容。
| 採用最先進多孔陶瓷感測材質設計與微電腦技術量測氣體中水分。可測量空氣,惰性氣體, O2, N2, H2,SF6, ... | |
| 具溫度補償功能、高精度,反應快速,及長期穩定度。 | |
| 露點量測範圍-100 to +20°Cdp,精度±2℃dp。防爆等級 EX ia IIC T4 Ga,可用於特殊危險區域(Zone 0 ) | |
| 日本開發、日本製造、日本原廠校驗,並提供10點校正報告,可追溯美國NIST及英國NPL。 依據 ISO/IEC17025準則進行 JCSS 校準及 ISO9001準則進行ISO9001校準。 |
|
| 技術支援系統完善、交貨時間短、具價格有競爭力。 | |
| 12~28Vdc工作電壓,4-20mA信號輸出。 | |
| 耐壓力 10-4Pa ~ 30MPa。操作流量 1 to 5 NL/min( 使用sampling block取樣器) 或 0.5 ~10m/sec (不使用sampling block取樣器) |
型錄下載 
| 型 式 | TK-100TR-EX (二線式露點傳送器) | ![]() |
| 測量範圍 | -100 to +20°Cdp | |
| 輸 出 | 4-20mAdc | |
| 準確度 | ±2 °Cdp | |
| 環境溫度 | -20 to +60°C | |
| 環境濕度 | 35%~85%RH | |
| 取樣流量 | 1~10L/min(使用取樣器 Sampling block)。 0.5~10m/s(直接插入量測)。 |
|
| 取樣壓力 | 10-4Pa~30MPa | |
| 電 源 | 12~28Vdc |
- 石化工藝
- 易燃氣體、氮氣、氫氣、甲烷等各種碳氫化合物氣體以及天然氣的水分管理
- 危險區域儀錶化空氣的水分管理
- 焊接氣體
- 其他危險區域的露點測量
TK-100TR-EX 進行採樣非常簡單。
當樣氣中有流量時(正壓下)準備具有過濾器和流量調節功能的取樣管線。 如果露點溫度有可能高於室溫,則需要在管道管路進行保溫和溫度控制,及在感測器測量後流量計前面安裝排水箱等。 |
![]() |
|
當樣氣中沒有流動時(零,負壓下) 除了存在上述取樣管路外,還需要安裝抽氣馬達。 在燃燒爐應用中,可能還需要再多加裝額外過濾器。 |
![]() |
|
環境中的露點測量 它可以在需要濕度控制的潔凈室和房間中安裝和使用。 |
![]() |
|
管道測量 對於清潔氣體也可以直接插入管道,但請注意,氣體中的異物或冷凝可能會損壞感測器。 因此建議設置採樣管線並將其通過過濾器。 |
![]() |
|
手套箱中的測量 建議安裝露點儀和氧氣計,用於管理手套箱中的微量水分和氧氣濃度管理。 |
![]() |
露點計原理/露點傳送器原理
TEKHNE公司的TK-100TR-EX系列電容式露點儀是一款堅固耐用的高精度露點儀,具有可靠的產品,可以測量氣體中的微量水分。
這些電容式感測器採用陶瓷濕度感測器技術,該技術採用最先進的薄膜技術。 感測器利用夾在兩個導電層之間的多孔絕緣層中吸附水蒸氣。

當水分子進入多孔絕緣層部分時,上多孔導電層和下層導電層之間的電容發生變化。 檢測該電容(電容)可對應被為水分含量,並通過感測器內部的數位處理成為線性輸出輸出。
感測器的陶瓷絕緣層小於0.5微米,頂部的多孔導電層薄至0.1微米,即使是水蒸氣含量的微小變化也能快速回應。 儘管很薄,但感測器堅固耐用。
由於上層濺射在底部陶瓷底座上,因此可以保持每層的均勻性,確保穩定的測量。
|
|
|
|















